
غلتک های الکتریکی نصب شده خارجی YZW
غلتک های الکتریکی نصب شده خارجی YZW
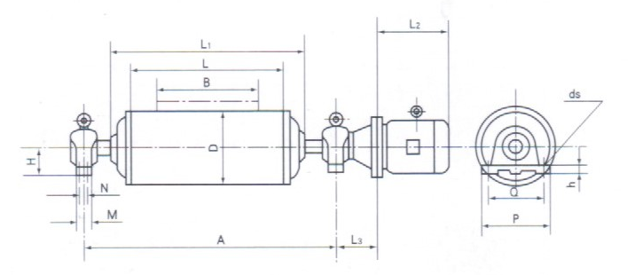
جدول ابعاد طرح کلی: 315-1250
قدرت: 18.5-132 کیلو وات
ولتاژ آرمیچر: 380 ولت - 440 ولت
کلاس عایق: F
ابعاد را می توان سفارشی کرد
Guangzhou Haoqing Mechanical And Equipment Co., Ltd. یکی از تولید کنندگان و تامین کنندگان پیشرو غلتک های الکتریکی نصب شده خارجی yzw در چین است. به خرید غلتکهای برقی نصبشده خارجی yzw درجه بالا ساخت چین در اینجا از کارخانه ما خوش آمدید. تمام محصولات سفارشی با کیفیت بالا و قیمت پایین هستند.
|
غلتک های الکتریکی نصب شده خارجی YZW |
|
|
جدول ابعاد طرح کلی |
315-1250 |
|
قدرت |
18.5-132 کیلو وات |
|
ولتاژ آرمیچر |
380 V - 440V |
|
کلاس عایق |
F |
|
ابعاد را می توان سفارشی کرد |
|
بررسی اجمالی محصول
این محصول نوع جدیدی از دستگاه رانندگی برای انواع نوار نقاله ثابت، آسانسور سطلی، بالابر و غیره است. مکانیسم کاهش سیکلوئید سیاره ای در داخل به کار گرفته شده است تا موتور را در معرض دید قرار دهد و مستقیماً به درام متصل شود. این دارای مزایای ظرفیت باربری بزرگ، ظرفیت اضافه بار قوی، انتقال پایدار، سر و صدای کم، عمر طولانی، استفاده و نگهداری راحت، عملیات ایمن و قابل اعتماد و غیره است. این می تواند الزامات مختلف بسته بندی چک و چسب را برآورده کند. علائم ضد شعله درام برقی نصب شده خارجی ضد شعله عبارتند از di، diiat4 و diibt4. Di برای معادن با متان یا گرد و غبار زغال سنگ، diiat4 برای مکان هایی با مخلوط های خطرناک انفجاری کلاس I و IIA T2 ~ T4 مناسب است و diibt4 برای مکان هایی با مخلوط های خطرناک انفجاری کلاس 1، IIA و IIB T2 ~ T4 مناسب است.
جدول ابعاد طرح کلی درام برقی نصب شده خارجی نوع yzwi و درام برقی نصب شده خارجی ضد شعله نوع yzwbi:


طرح کلی درام الکتریکی نصب شده خارجی yzwi طراحی طرح کلی درام برقی نصب شده خارجی ضد شعله yzwbi:

تگ های محبوب: غلتک های الکتریکی نصب شده خارجی yzw، تولید کنندگان، تامین کنندگان، غلتک های الکتریکی نصب شده خارجی yzw چین, غلتک برقی داخلی, غلتک مینیاتوری, درام کاهنده, غلتک برقی مینیاتوری غوطهور در روغن YD, غلتک برقی خارجی IS WD, درام الکتریکی سیکلوئیدی غوطهور در روغن خنکشونده با YJBTN
ارسال درخواست










